AR-RMF23-SS08
Описание прибора
Стоимость: 5998 ... 6098
р.
Срок поставки: Со склада
Клапан соленоидный миниатюрный прямого действия трехходовой 3/2 для пара AR-RMF23-SS08 предназначен для управления потоком рабочей среды в трубопроводе Особенности:
Технические характеристики:
Модификации:
Версия: 2014-09-27-КВА
- Возможность срабатывания при нулевом давлении
- Компактный размер
ПРИНЦИП ДЕЙСТВИЯ И ОБЛАСТЬ ПРИМЕНЕНИЯ:
Трехходовые соленоидные клапаны устанавливаются на соединении входов нескольких трубопроводов (входы 1, 2 и 3) и позволяют пропускать поток рабочей среды в разных направлениях. К примеру, при отсутствии управляющего напряжения клапан пропускает поток рабочей среды в трубопроводе в направлении 1-2, при подаче на катушку клапана управляющего напряжения клапан переключает поток рабочей среды в трубопроводе в направлении 1-3 (или 3-1 , в зависимости от исполнения клапана). При отключении управляющего напряжения (или обрыве провода управляющего напряжения) клапан автоматически переключается обратно и снова пропускает поток рабочей среды в трубопроводе в направлении 1-2.
Подходит в большинстве случаев, для эксплуатации в системах водоснабжения, теплоснабжения, вентиляции и пневмоуправления.
Подходит в большинстве случаев, для эксплуатации в системах водоснабжения, теплоснабжения, вентиляции и пневмоуправления.
| Параметр
| Значение
|
| Рабочая среда | Пар, вода, горячая вода, воздух, инертные газы, масла |
| Материалы | Корпуса: нержавеющая сталь
Уплотнения: VITON |
| Температура рабочей среды | −40...180°С |
| Рабочее давление | 0...0,7 МПа |
| Диаметр условного прохода | 2 мм |
| Присоединение | Резьбовое G¼", G⅜"
|
| Катушка | SB475, IP65
|
| Питание | ~220 В, ~110 В, ~24 В
=24 В, =12 В |
| Мощность
| 18 ВА (АС), 14 Вт (DC)
|
Модификации:
| Модель | Ду, мм
| Kv, м³/ч
| Присоединение
| Pmin , МПа
| Pmax , МПа
| Вес, г
| Катушка
|
| AR-RMF23-SS08 GSV | 2
| 0,13
| G¼", G⅜"
| 0
| 0,7
| 490
| SB475
|
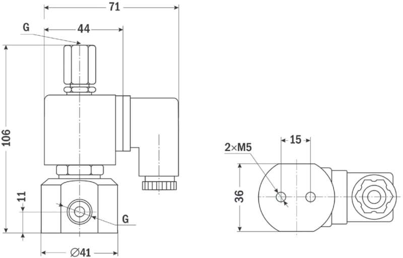
| Габаритные размеры |
![]() |
Версия: 2014-09-27-КВА
Документация
Описание прибора




