AR-YCDF2
Описание прибора
Стоимость: 95095 ... 159860
р.
Срок поставки: Под заказ к 2026.09.20
Клапан соленоидный нормально закрытый непрямого действия с поршнем AR-YCDF2 для использования под водой. Предназначен для управления потоком рабочей среды в трубопроводе.
Особенности:
Примечание:Шток у клапана с катушкой F14B короче, поэтому ее нельзя заменить на катушку F24B.
Шток у клапана с катушкой F24B длиннее, поэтому ее можно заменить на катушку F14B.
Модификации:
Версия: 2016-01-26-КВА
Особенности:
- Клапан предназначен для использования под водой
- Применяется для фонтанов
- Глубина погружения до 1 метра
- Класс защиты IP68
ПРИНЦИП ДЕЙСТВИЯ И ОБЛАСТЬ ПРИМЕНЕНИЯ:
Технические характеристики:
Нормально закрытый соленоидный клапан – это магнитный клапан, в котором закрытое положение сохраняется, если управляющее напряжение на его индукционную катушку не подается. При подаче напряжения на катушку нормально закрытый клапан открывается и пропускает через себя поток рабочей среды. При отключении управляющего напряжения этот клапан автоматически закрывается и перекрывает поток рабочей среды в трубопроводе. При обрыве провода управляющего напряжения клапан будет закрыт.
В большинстве случаев подходит для эксплуатации в системах водоснабжения, теплоснабжения, вентиляции и пневмоуправления. Особенно актуально применение данного типа клапана, когда клапан должен быть закрыт большую часть времени либо когда он обязательно должен быть закрыт при отключении электропитания системы.
В большинстве случаев подходит для эксплуатации в системах водоснабжения, теплоснабжения, вентиляции и пневмоуправления. Особенно актуально применение данного типа клапана, когда клапан должен быть закрыт большую часть времени либо когда он обязательно должен быть закрыт при отключении электропитания системы.
| Параметр
| Значение
| |
| Рабочая среда | Вода, горячая вода | |
| Материал | Корпуса | Нержавеющая сталь
|
| Уплотнения | VITON | |
| Температура рабочей среды | −10...120°С | |
| Рабочее давление | 0,05...2,5 МПа | |
| Диаметр условного прохода | 65...150 мм | |
| Присоединение | Фланцевое F2½"...6" | |
| Катушка* | F14B, F24B; IP68
Выводные провода 95 см | |
| Питание | F14B | ~220 В, ~110 В, ~24 В
|
| F24B | =24 В, =12 В | |
| Мощность
| F14B | 24 ВА (АС) |
| F24B | 15 Вт (DC) | |
Шток у клапана с катушкой F24B длиннее, поэтому ее можно заменить на катушку F14B.
Модификации:
| Модель | Ду, мм | Kv, м³/ч
| Присоединение | Pmin , МПа | Pmax , МПа | Катушка
| Вес, кг
|
| AR-YCDF265 FSV
| 65
| 72,5
| F2½"
| 0,05
| 2,5
| F14B
F24B | 22,1
|
| AR-YCDF280 FSV
| 80
| 106,6
| F3"
| 31,5
| |||
| AR-YCDF2100 FSV
| 100
| 136,5
| F4"
| 42,4
| |||
| AR-YCDF2125 FSV
| 122
| 173
| F5"
| 55
| |||
| AR-YCDF2150 FSV | 150 | 276,8 | F6" | 85 |
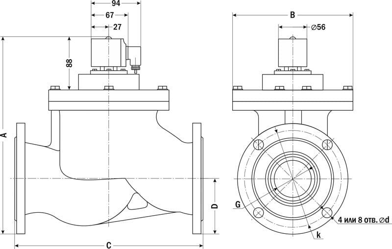
| Габаритные размеры |
|
| Размер, мм
| AR-YCDF2, Ду, мм
| ||||
| 65
| 80
| 100
| 125
| 150
| |
| A F24B
| 324
| 337
| 370
| 397,5
| 448
|
| A F14B
| 314
| 327
| 360
| 387,5
| 438
|
| B
| 175
| 216
| 235
| 270
| 310
|
| C
| 282
| 300
| 338
| 400
| 480
|
| D
| 95
| 103
| 114
| 125
| 143
|
| G
| 2½"
| 3"
| 4"
| 5"
| 6" |
| d | 18
| 18
| 18
| 18
| 22
|
| k
| 145
| 162
| 178
| 210
| 240
|
| Кол-во отверстий
| 4
| 8
| 8
| 8
| 8
|
Версия: 2016-01-26-КВА
Документация
Описание прибора


