ПР322-К5
Описание прибора
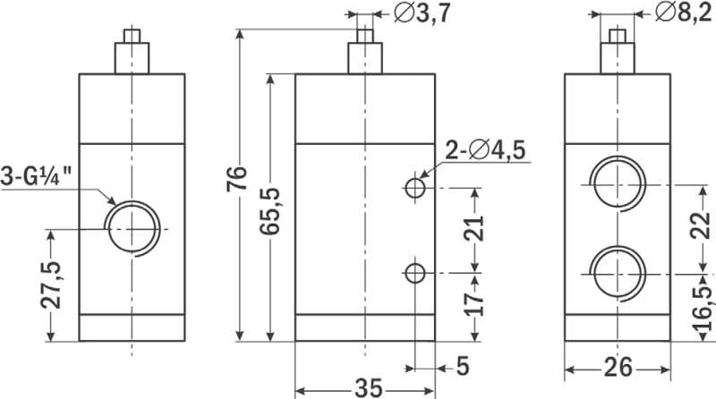
Пневмокнопка красная утопленная ПР322-К5 предназначена для распределения воздушных потоков, управления исполнительными устройствами пневмосистем
Технические характеристики:
Версия: 2014-10-08-КВА
Технические характеристики:
| Параметр | Значение |
| Тип распределителя
| 3/2 (3-линейная, 2-позиционная) |
| Рабочая среда | Воздух (тонкость очистки 25 мкм) |
| Присоединение | G¼" |
| Рабочее давление | 0…0,8 МПа |
| Рабочая температура | −5…80°C |
| Габаритные размеры |
![]() |
|
Версия: 2014-10-08-КВА
Описание прибора
