КП-С
Описание прибора
Скользящий клапан КП-С предназначен для быстрого ручного отключения давления в воздушной магистрали
Технические характеристики:
Версия: 2014-10-13-КВА
Технические характеристики:
| Параметр | Значение |
| Рабочее давление
| 0,15…1 МПа |
| Максимальное давление | 1,2 МПа |
| Материал уплотнения
| NBR |
| Рабочая температура
| −5...60°C |
| Уплотнение
| NBR |
| Присоединение
| G⅛"...G1" |
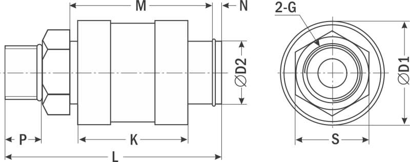
| Габаритные размеры |
![]() |
| Модель
| Размеры, мм
| ||||||||
| G
| ∅ D1
| ∅ D2
| K
| L
| M
| N
| P
| S
| |
| КП-С-6
| G⅛"
| 20
| 13
| 20
| 38
| 22
| 3
| 8
| 14
|
| КП-С-8
| G¼"
| 26
| 18
| 32
| 58
| 36
| 4
| 9
| 19
|
| КП-С-10
| G⅜"
| 32
| 20,5
| 32
| 58
| 36
| 4
| 11
| 22
|
| КП-С-15
| G½"
| 38
| 25
| 40
| 80
| 51,5
| 4
| 14
| 27
|
| КП-С-20
| G¾"
| 46,5
| 32
| 45
| 85
| 54,5
| 3
| 16
| 34
|
| КП-С-25
| G1"
| 51
| 37
| 45
| 85
| 54,5
| 3
| 16
| 38
|
Версия: 2014-10-13-КВА
Описание прибора
