КЭ1
Описание прибора
Крепежный элемент для установки и фиксации пневмоцилиндров ПНЦ-Т на рабочей поверхности пневматической системы, присоединения к штоку цилиндра исполнительного механизма системы
Технические характеристики:
Версия: 2014-11-20-КВА
Технические характеристики:
| Параметр | Значение |
| Типоразмеры
| 32 мм, 40 мм, 50 мм, 63 мм, 80 мм, 100 мм |
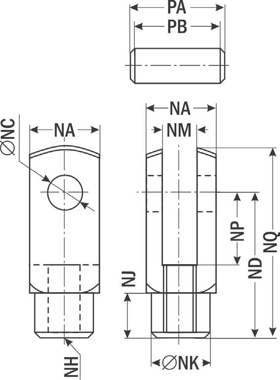
| Габаритные размеры
|
![]() |
| Модель
| Размеры, мм
| ||||||||||
| NA
| NC
| ND
| NH
| NJ
| NK
| NM
| NP
| NQ
| PA
| PB
| |
| КЭ1-32
| 19
| 10
| 40
| M10×1,25 | 12
| 18
| 10
| 20
| 52
| 26,2
| 20
|
| КЭ1-40
| 25,4
| 12
| 48
| M12×1,25 | 20
| 23
| 12
| 24
| 62
| 32,8
| 26,5
|
| КЭ1-50
| 32
| 16
| 64
| M16×1,5 | 22
| 30
| 16
| 32
| 83
| 39,3
| 33
|
| КЭ1-63
| 32
| 16
| 64
| M16×1,5 | 22
| 30
| 16
| 32
| 83
| 39,3
| 33
|
| КЭ1-80
| 44,4
| 20
| 80
| M20×1,5 | 30
| 39
| 20
| 40
| 105
| 53,3
| 45
|
| КЭ1-100
| 44,4
| 20
| 80
| M20×1,5 | 30
| 39
| 20
| 40
| 105
| 53,3
| 45
|
Версия: 2014-11-20-КВА
Описание прибора
