Omix P99-MA-3
Описание прибора
Срок поставки: Снято с производства
Анализатор параметров трехфазной сети щитовой Omix P99-MA-3 предназначен для измерения и индикации электрических параметров трехфазной сети переменного тока
Версия: 2015-05-15-КВА
особенности:
- Возможность подключения трансформаторов тока и напряжения
- Протокол TCP/IP (опция)
| Параметр
| Значение | ||
| Прямое подключение
| С трансформатором
| ||
| Диапазон измерения
| силы тока
| 0…6 А
| 0…500 кА
|
| напряжения
| 0…650 В
| 0…500 кВ | |
| активной мощности
| 0…100 ГВт
| ||
| реактивной мощности
| 0…100 ГВАр | ||
| полной мощности
| 0…100 ГВА | ||
| частоты
| 45…65 Гц
| ||
| cos φ | −1…1
| ||
| активной энергии
| 0…100 ТВт·ч | ||
| реактивной энергии
| 0…100 ТВАр·ч | ||
| полной энергии
| 0…100 ТВА·ч | ||
| Анализатор гармоник
| до 31 включительно
| ||
| Погрешность
| ±(0,1% + 1 е.м.р.) | ||
| Индикатор
| 2,8" графический, 128×64 точки
| ||
| Интерфейс
| RS-485
| ||
| Потребляемая мощность
| < 5 ВА
| ||
| Питание
| ∼85…260 В, 50…60 Гц, =110…300 В | ||
| Условия эксплуатации
| Температура
| −20…50°C | |
| Влажность
| 0…90%RH
| ||
| Габаритные размеры
| 100×100×80 мм
| ||
| Габаритные размеры врезного отверстия | 91×91 мм | ||
| Габаритные размеры |
![]() |
Версия: 2015-05-15-КВА
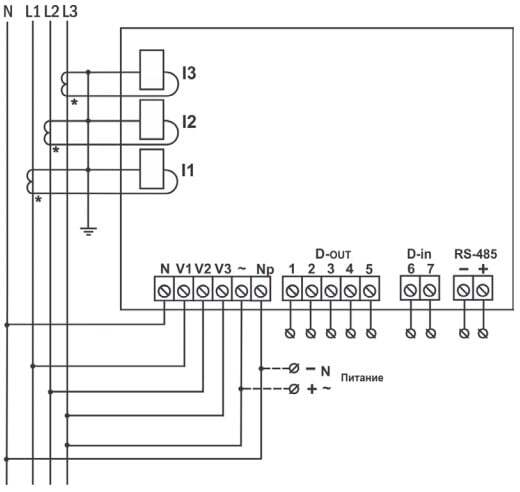
Схемы
Описание прибора




